BV 系列负载敏感多路阀:百变模块,解锁液压新可能!
为满足客户对设备紧凑性、轻量化及多样化需求,我司推出BV系列负载敏感多路阀。该系列多路阀设计精巧、结构紧凑,能够完美替代传统NG6板式阀组,为客户提供更优质、更高效的液压解决方案。
对于不同的应用场景,标准可选模块丰富 ,可实现快速交付。
- 进油联模块[BVP]:从基础进油限压到配备三通补偿器、电磁卸荷等功能,我们提供了数十款标准模块供您挑选,材质及油口同样支持定制。
- 功能片模块[BVF]:作为可选模块,可安装在进油联与工作片或工作片之间,满足下游特殊功能需求,涵盖流量、压力控制以及应急功能等选项。
- 工作片模块[BVB]:提供比例、比例+手动、手动、液控等多种操控方式可供选择。

BVP:进油联模块
如图所示,BV多路阀支持与PV12、PV32、PV48组合使用,最大单片流量可达180 L/min。

应用示例1:
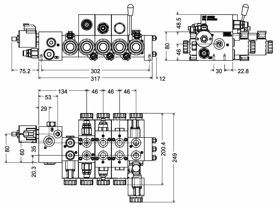
- 负载敏感定量泵进油联,可电磁卸荷;
- 工作片模块无动作时系统低压卸荷,节能不发热,有工作片换向时,进油联提供所需流量,更高效;
- 工作片叠加限压阀、节流阀和液压锁,结构更紧凑;
- 工作片带手动应急操作功能,更加安全便捷。

外形尺寸图

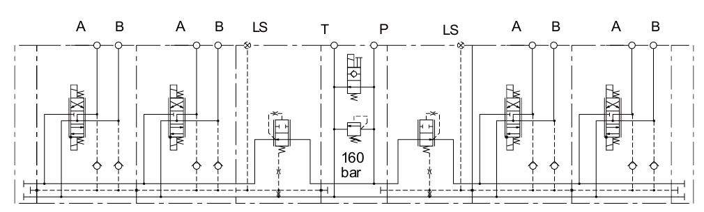
液压原理图
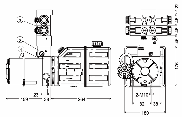
应用示例2
- 与动力单元叠加,更加紧凑;
- 省去中间管路与阀块,更加经济可靠。

外形尺寸图

液压原理图
应用示例3
- 中间进油,带压力调节与电磁卸荷
- 中间进油联两侧带二通补偿器,两侧工作片任意各一片可复合动作无干涉、不受负载变化影响。

外形尺寸图

此示例仅为示意阀组的组合与使用,非实际回路,如需订购多路阀组请联系海弗液压出具与应用匹配阀组方案。
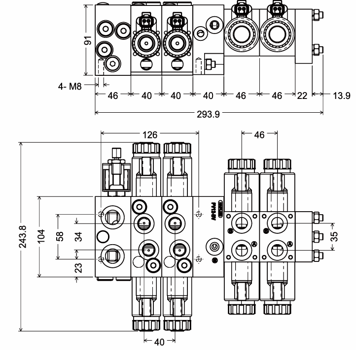
应用示例4
- PV12可实现带补偿负载敏感比例控制
- 共用PV12进油联,BV多路阀更紧凑经济

外形尺寸图

应用领域

地址:天津经济技术开发区黄海一街17号
电话:022-66377061
网址:www.haifluid.com
邮箱:sales@haifluid.com

▲ 长按二维码关注我们
