PV32+阀芯监测:赋能随车吊,开启液压安全智能新时代
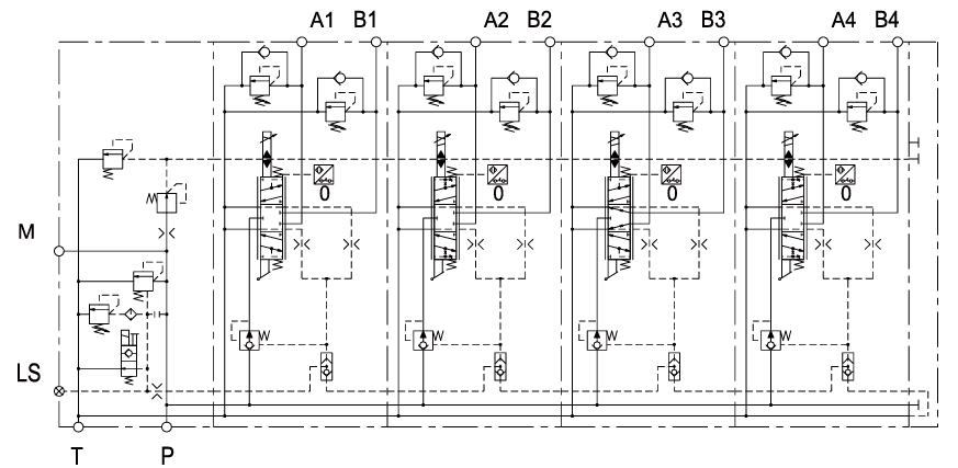
在现代工业的宏大场景中,随车吊作为关键的工程机械设备,承担着举重若轻的重任。而今天,我们将聚焦一款能够显著提升随车吊性能表现的液压产品——配备阀芯监测模块的PV32负载敏感多路阀,深入剖析其卓越功能及广阔应用前景。在此应用中核心亮点在于其PV32+阀芯位置监测模块 PVSD。这一模块如同赋予了随车吊液压系统一双精准的 “眼睛”,使系统具备了感知能力。它能够针对液压系统中关键的 A位、B位 或中位位置进行监测,操作人员可根据随车吊不同的作业工况与需求,灵活选择监测位置,从而确保随车吊的每一个动作环节都处于监控之下。
随着科技的不断进步,智能化已成为各行业发展的必然趋势。在随车吊行业,PV32 阀凭借其先进的监测功能,契合了智能化发展的需求。通过实时获取阀芯位置状态,操作人员可以对随车吊的运行状态进面监测,优化操作流程,安全可靠的管理与操作。
这种智能化应用不仅降低了对操作人员经验的依赖,降低运营成本,提升企业在激烈市场竞争中的优势地位。
在全球化的工业发展格局中,不同国家和地区对于液压元件的安全可靠性能制定了日益严格的标准。PV32 阀凭借其出色的安全性能和可靠性表现,成功满足了部分国家和地区的相关政策法规要求。这为使用 PV32 阀的随车吊制造企业和使用单位拓宽了国际市场渠道,使其在国际舞台上能够自信地展示自身实力,拓展业务范围,抓住更广阔的市场机遇。
PVSD可安装在大部分现有控制模块与阀体之间,有很好的兼容性,在设备升级时具有很大的便利性。
PVSD 模块具有常开、常闭、PNP、NPN 等多种配置选项,这样的设计极大地提升了其与各类随车吊控制系统以及配套设备的兼容性。无论是新研发的智能随车吊,还是经过升级的传统随车吊,PVSD 模块都能够无缝对接、协同工作,实现高效的液压控制。
在工业生产过程中,安全与可靠性始终是重中之重。PV32 阀通过其 PVSD 模块,为随车吊的安全运行提供了坚实保障。实时监测阀芯位置的细微变化,一旦发现潜在的故障迹象,系统能够迅速捕捉并及时发出预警信号,为操作人员预留充足的应对时间,从而有效避免因液压故障引发的生产事故,显著提升设备运行的安全性。
该产品的卓越性能以及 PVSD 模块的故障监测功能,确保了随车吊在长时间、高强度作业环境下的稳定性和精准性。它能够减少因设备故障导致的停机时间,提高生产效率,为企业的持续稳定运营提供有力支撑。
目前,PV32 阀已在随车吊领域得到了成功应用,为众多随车吊设备带来了显著的性能提升。
PV32 多路阀在随车吊应用,引领着随车吊行业迈向更加安全、可靠、智能的未来。从提升设备性能、保障生产安全,到满足政策法规、拓展市场空间等多维度考量,它无疑是随车吊领域的理想选择,值得相关企业和用户的广泛关注与信赖。

地址:天津经济技术开发区黄海一街17号
电话:022-66377061
网址:www.haifluid.com
邮箱:sales@haifluid.com
▲ 长按二维码关注我们
