BV多路阀高空平台应用
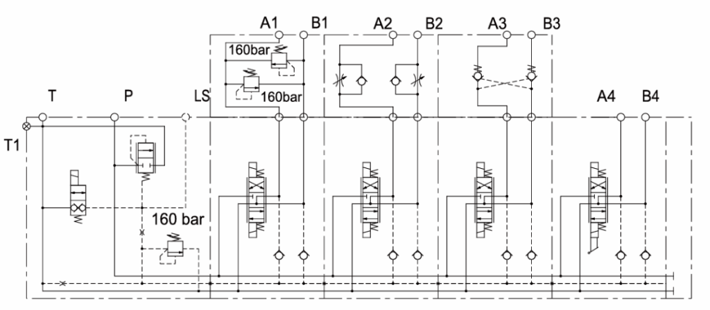
BV系列是一款专为开式液压回路设计的高性能多路阀,针对高空作业平台等设备的严苛工况开发,兼顾操控精度与系统能效,为整机提供可靠的动力分配解决方案。


地址:天津经济技术开发区黄海一街17号
电话:022-66377061
网址:www.haifluid.com
邮箱:sales@haifluid.com
暂无评论

BV系列是一款专为开式液压回路设计的高性能多路阀,针对高空作业平台等设备的严苛工况开发,兼顾操控精度与系统能效,为整机提供可靠的动力分配解决方案。


地址:天津经济技术开发区黄海一街17号
电话:022-66377061
网址:www.haifluid.com
邮箱:sales@haifluid.com